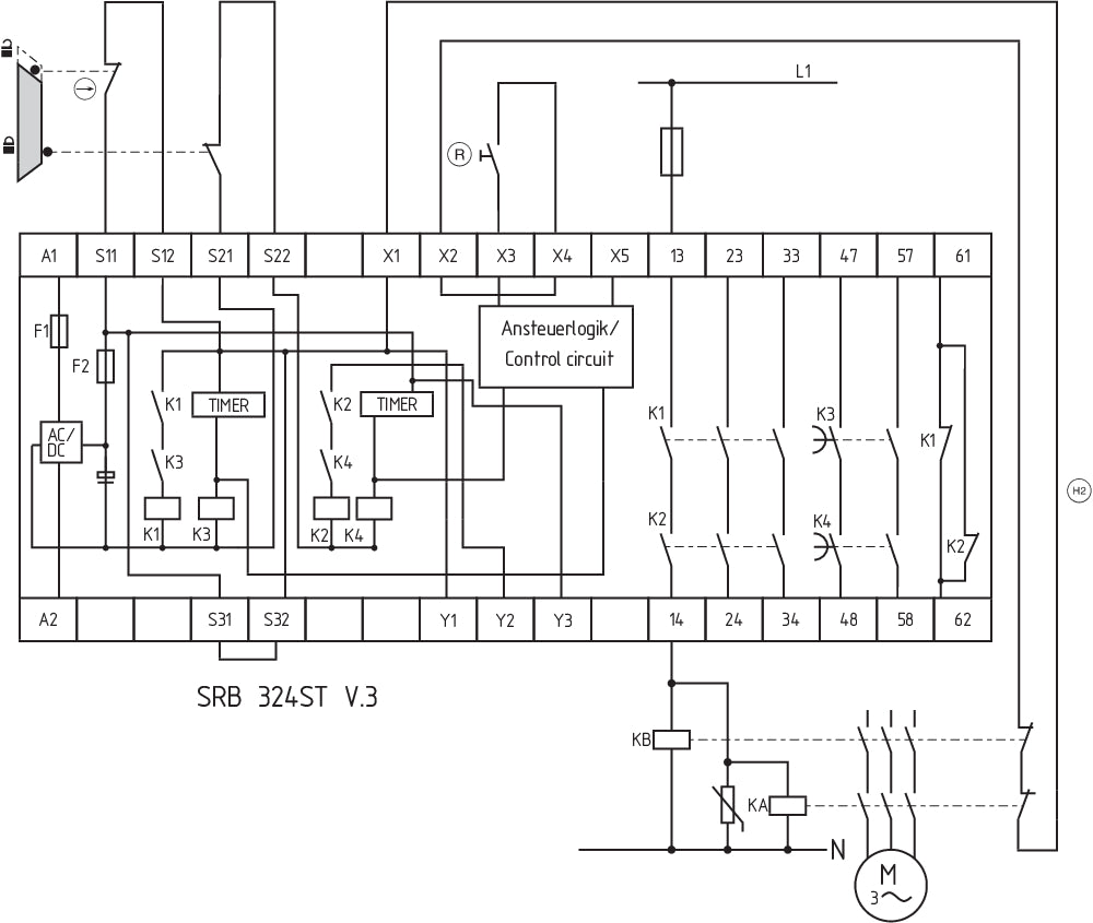
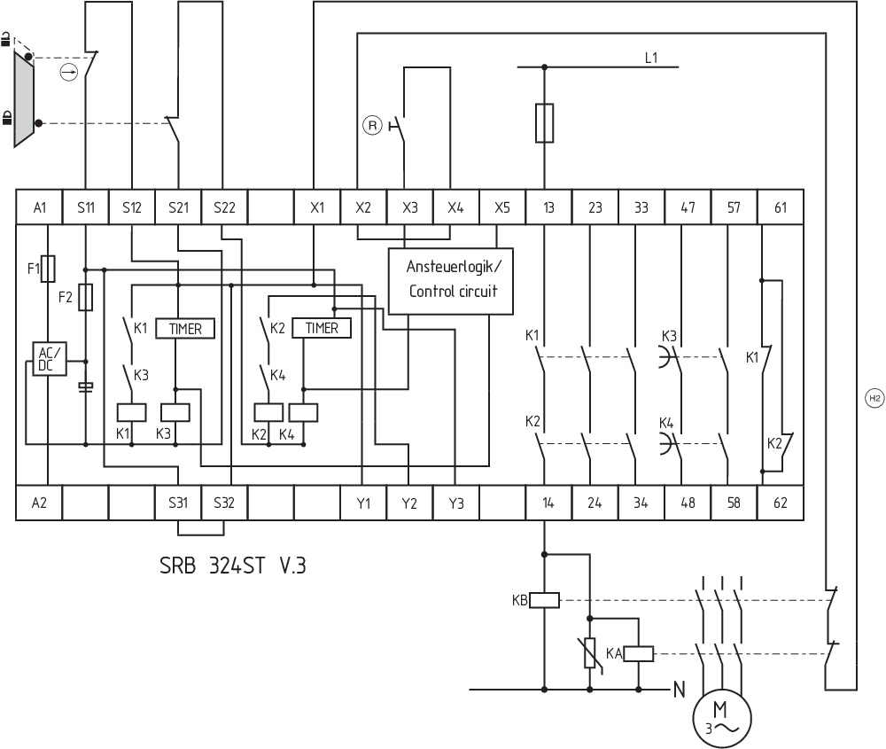
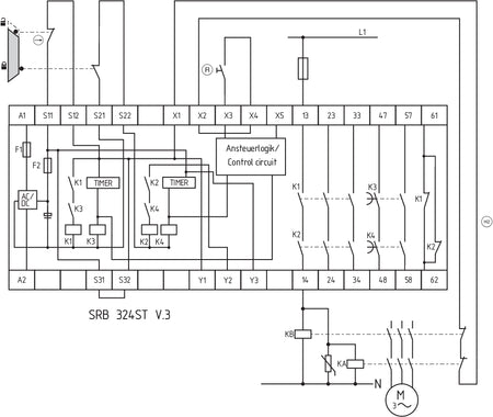
Schmersal SRB324ST 24V (V.3)

På lager
Normalpris 4.100 kr. (ex. moms)
  • Valbar: Kortslutningsgenkendelse, manuelt reset md sideregistrering i failsafe-kobling, Automatisk reset-funktion
  • Egnet til signalbehandling på potentilfrie kontakter
  • Passende til signalbehandling af udgange forbundet til potentielle (AOPDs), dvs. sikkerhedslysbomme/gitre
  • 3 sikkerhedskontakter, STOP 0;
    2 sikkerhedskontakter, STOP 1 (Justerbar 1 … 30 s)
  • 4 Signaludgange
  • Ideal som afløser for de ældre ELAN 

    SRB-NA-R-C.35/CH2a-24V, som er udgået af produktion